-
-
-
Tổng tiền thanh toán:
-
Công tắc áp suất gió hay còn gọi Công tắc áp suất gió hoặc rơ le áp suất là thiết bị có chức năng giám sát chênh lệch áp suất trong đường ống gió.
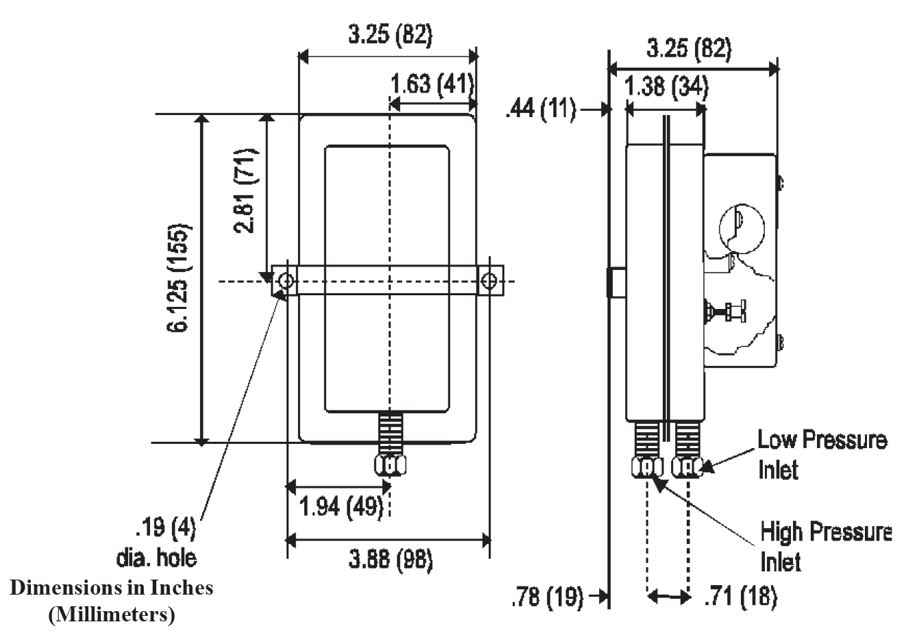
Model AFS-262 is a general purpose proving switch designed for HVAC and Energy Management applications. It can be used to sense positive, negative, or differential air pressure. The plated housing contains a diaphragm, a calibration spring and a snap-acting SPDT switch. The AFS-262 has a field adjustable set point range of 0.05″ wc to 2.0″ wc. The screw terminals are protected by an enclosure that accepts 1/2″ conduit. This switch has an SPDT contact arrangement. It is equipped with two compression ferrule and nut sample line connectors that accept ¼” OD rigid tubing.
